Project

General

Profile

Actions

Device Adaptation Loss Issue

Important Notice: Device Adaptation Loss Issue

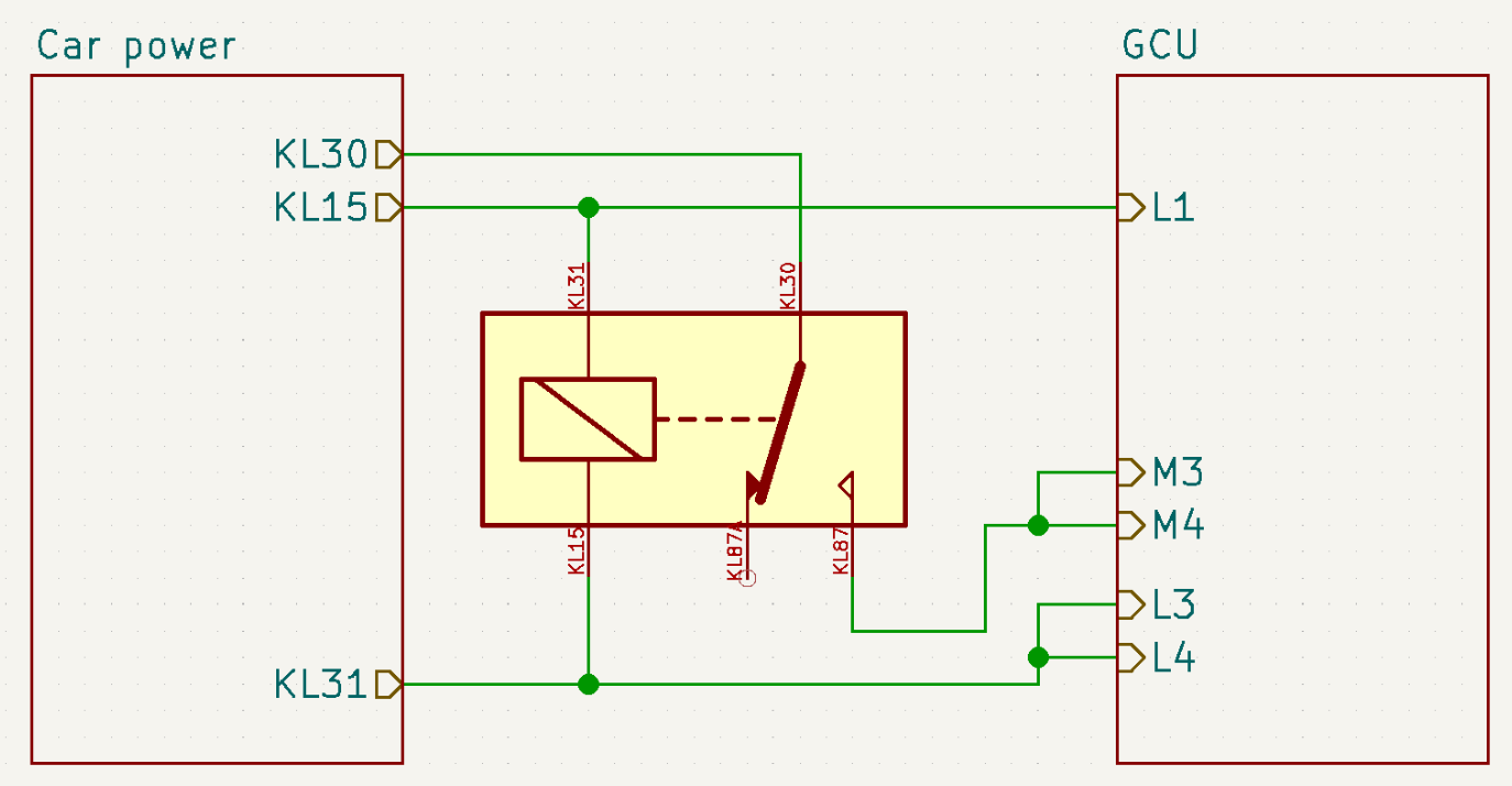
We've identified a software/hardware issue affecting adaptation data on certain devices. The problem occurs when the ignition (KL15) is used as both the power source and wakeup signal. Sometimes, the processor tries to save adaptation data after the ignition is turned off, cutting the power to too early. This can corrupt the data save process and may lead to the loss of important adaptation settings.

Recommended Solution:
We suggest using a time-delay-off relay, such as the HELLA 5HE 996 152-131 . This relay will delay turning off the power for about 60 seconds after the ignition (wakeup signal) is turned off. This extra time allows the processor to complete the save process properly before shutting down.

Important Reminder:
Avoid connecting directly to BAT+ (KL30), as the device draws 200-300mA during sleep mode, which can drain your battery in a matter of hours.

Note on Software:
Previous software versions do not have graceful shutdown procedures built-in. These procedures are being specified and will be added in upcoming releases to prevent similar issues in the future.

If you need more information or help with setting this up, feel free to get in touch.

Thanks for your attention!

Updated by Adam Klama about 2 months ago · 5 revisions